1/4
キクタニ (Kikutani) VESA規格 モニターマウント マイクスタンドアダプター VESA de mucho
¥2,854
残り1点
International shipping available
色 ブラック
ブランド キクタニ(Kikutani)
商品の重量 460 グラム
スタイル モダン
最大高 5 フィート
この商品について
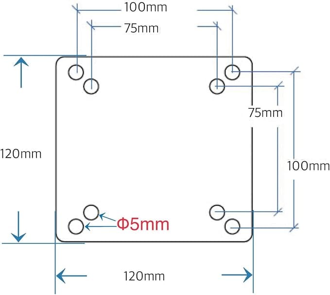
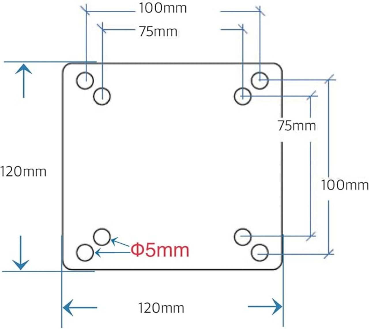
プレートサイズ:120mm X 120mm
本体重量:460g
付属ネジ:M4ネジX4、M5ネジX4
耐荷重:4kg
商品の説明
商品紹介
5/8インチのネジ山があるマイクスタンドにVESA規格のモニターをマウントできるアダプターです。M4ネジX4とM5ネジX4を付属し、多くのVESA規格のモニターに対応可能。省スペースにモニターをスタンドできるので、ご自宅のDAW環境の充実に一役買う他、マイクスタンドを常備されているライブハウスやホールなどの環境でのステージモニターのスタンドや、撮影用のモニターのスタンドとしてご利用いただくことで、モニター用のスタンドの持ち運びの負担を大幅に減らすことも可能な便利アイテムです。
安全警告
※ご使用のマイクスタンドの耐荷重も合わせてご確認ください。ブームマイクスタンドでのご使用はおやめください。
-
レビュー
(40)
最近チェックした商品
同じカテゴリの商品
セール中の商品
その他の商品
